If you have questions of this page,please write to here.
Production of The MP3player.
I made The MP3player from Atmega8(AVR),VS1001K,SDcard.
Prototype

Song: 'Hitomitojite' by ZARD
Specifications
CPU: ATMEL ATmega8 8MHz (the internal organs OSC)
Decoder:VS1001K(DAC/DSP)
Supports format:MPEG 1&2 for layer 3 and layer 3's 2.5 extensions
all sample rates and bit rates(at most 256kbps verification)
Supports VBR(variable bit-rate)
Memory medium: SD (MMC) Card (checked 64MB and 128MB), SPI MODE , FAT16 Onry (Supports VFAT)
LCD: SC1602BC (16x2) ,Title & artist (ID3TagV1 indicating), play time, volume ,power supply voltage.
Operation button: Power on& playback,stop & power off,fast forward,review,volume up&down
Electric power consumption: Approximately 45mA at 3.3V
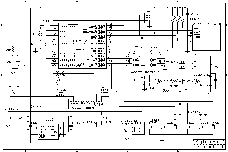
Program source schematic(Sorry,Tr is not BRC133 but BCR133. The capacitor connecting to Atmega8_pin21 is 0.1uF.)
Practical machine 1


From prototype modification point
Power source AA dry cell ,DC-DC converter (Texas:TPS60200)
When performing adding the pause
supplied the case (110x70x32mm)
Electric power consumption approximately 180mW (with alkaline electric battery approximately 15 hour continuous duty yeses)
Program source schematic(Sorry,Tr is not BRC133 but BCR133. The capacitor connecting to Atmega8_pin21 is 0.1uF. )
Practical machine 2


Modification point from of practical machine 1
DC-DC converter modification to MAX778L
Playback mode one time, all song repeat,one song repeat.
Noise decrease measure
Case:Takachi SW-120B(60x120x24 mm)
Electric power consumption approximately 170mW
Source schematic 1, 2 Hex file (Sorry,Tr is not BRC133 but BCR133. The capacitor connecting to Atmega8_pin21 is 0.1uF. )
Practical machine 3


From practical machine 2 modification point
To abbreviate LCD, furthermore the operation indication with compact conversion and LED.
Case:Takachi
SW-95B(95x58x18 mm),Weight:about 90g
CPU operating speed 4MHz (MAX bit rates 160kbps)
VS1001k operating speed 12.288MHz (Decoder manufacturer recommendation)
AAA Dry cell
Electric power consumption approximately 160mW
Source schematic Hex file(Sorry,Tr is not BRC133 but BCR133.)
Practical machine 4

From a former machine change part
Decoder:VS1011
It is adapted for a subdirectory(one class).
Playback is sorted by the music name(2 bytes of a head).
Playback mode one time, subdirectory repeat,one song repeat.
Case is Snorlax(from pokemon).